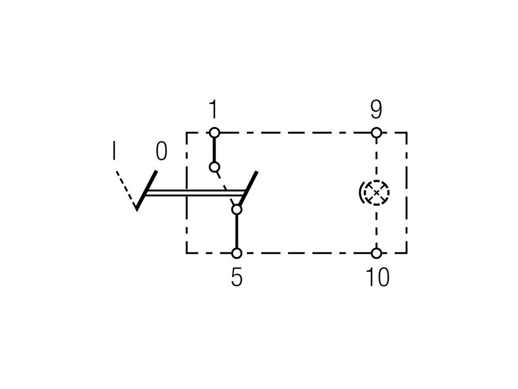
Spínač - Přepínací ovládání - Varianta vybavení: I-0 - Počet připojení: 4 - Instalace - Spínač Zap/Vyp
- Spínač, západkový, jednostupňový, s jedním obvodem, určený pro osvětlení prostoru
- Modulární spínače řady 4570 jsou určeny pro interiéry užitkových a osobních vozidel.
- Výhodami této řady jsou modulární konstrukce a vysoká spínací kapacita
Správný spínač pro každou aplikaci: Rozsáhlý program modulárních spínačů HELLA nabízí díky široké škále možností konfigurace funkcí a symbolů spínačů ten správný spínač pro téměř každou aplikaci. Řada optimálně pokrývá všechny oblasti použití. Řada 4570 / 7832: Základní program, který se již více než 20 let osvědčuje v jednoduchých elektrických systémech. Kotouče se symboly jsou k dispozici v různých barvách dle norem DIN nebo na přání zákazníka. Všechny symboly lze zobrazit. Symboly jsou osvětleny žárovkami nebo LED diodami. Spínací a ovládací prvky lze osvětlit 12V žárovkami, 24V žárovkami nebo LED diodami. K dispozici jsou jednostupňové a dvoustupňové spínače; jako mřížky a tlačítka. Program doplňují montážní lišty pro vytváření řad a kombinací spínačů.








